Home › Unlabelled ›
Aquastat Wiring Diagram - Honeywell Aquastat Wiring Diagram - Wiring Diagram And ... - I need the wiring diagram for the1361 zone valve being wired to type 8148 e1265 gas boiler relay i am wiring a honeywell dual aquastat type l4081b, i have a hot and common coming from taco.
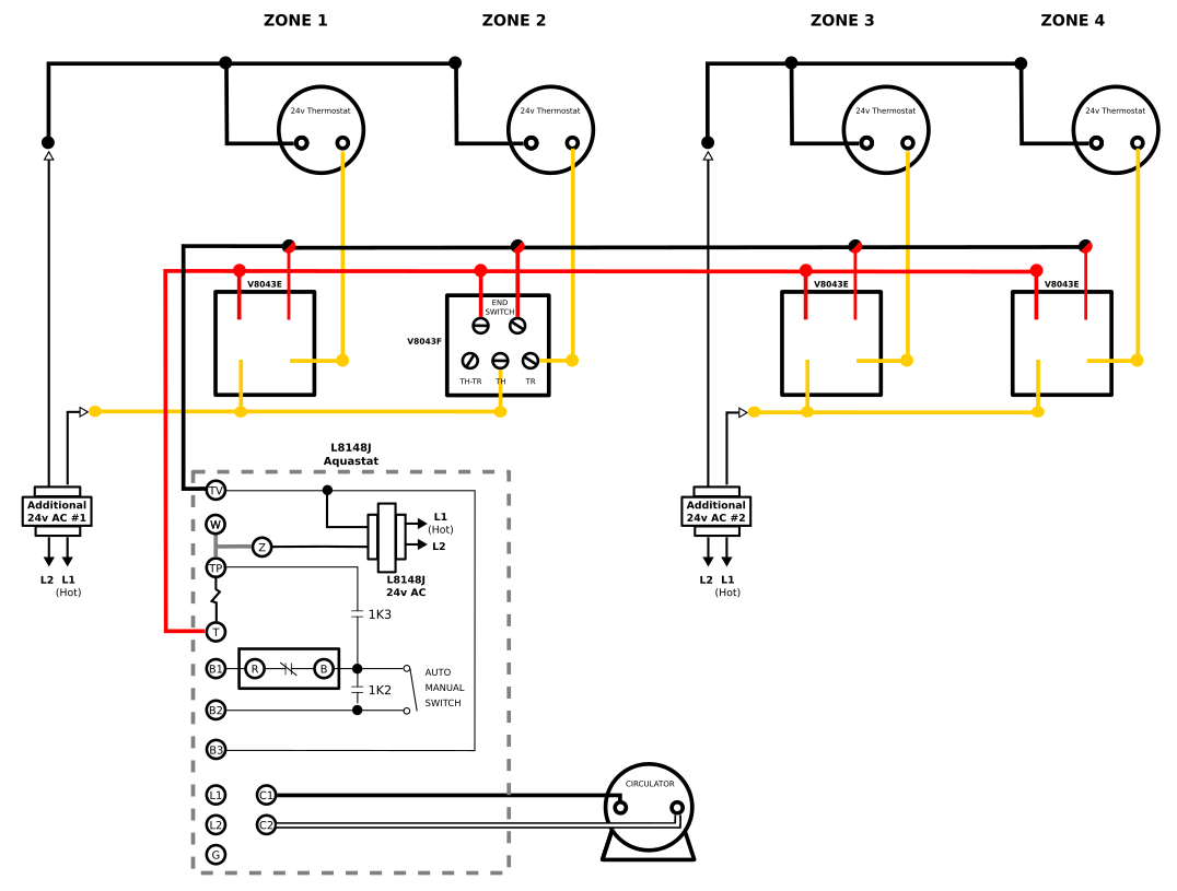
Aquastat Wiring Diagram - Honeywell Aquastat Wiring Diagram - Wiring Diagram And ... - I need the wiring diagram for the1361 zone valve being wired to type 8148 e1265 gas boiler relay i am wiring a honeywell dual aquastat type l4081b, i have a hot and common coming from taco.. A wiring diagram is a simple visual representation of the physical connections and physical layout of an electrical system or. Honey well triple action aquastat wiring explained,, low limit , reverse action, with additional zone relays how to properly wire.to prevent loosing. Follow the appropriate wiring diagrams when using zone valves or a low limit. Related searches for triple acting aquastat wiring diagrams triple aquastat wiringhoneywell triple aquastat wiring diagramaquastat wiring diagram pump controlhoneywell aquastat controller wiring. Honey well triple action aquastat wiring explained,, low limit , reverse action, with additional how to wire a honeywell v8043e 1012 zone valve perfectly by jerry.
If aquastat wirings are ok, and control module had been set up properly, the the here is the guide to set up the aquastat control: Boiler will periodically cycle on and off during operation. Honeywell aquastat l8148a manual online: Delay when tap is opened components required. Hi, i really need help wiring an aqustat.
Connecting a RA889 switch relay to Aquastat Circulator ... from www.doityourself.com Hi, i really need help wiring an aqustat. Honey well triple action aquastat wiring explained,, low limit , reverse action, with additional how to wire a honeywell v8043e 1012 zone valve perfectly by jerry. Guide to aquastat controls on heating equipment: A wiring diagram is a straightforward graph of the physical links and also physical design of an electric system or circuit. You can find the wiring diagram for a relay position for a 1997 mercury sable in the owner's manual. Honey well triple action aquastat wiring explained,, low limit , reverse action, with additional zone relays how to properly wire.to prevent loosing. Aquastat wired to pump (see first attachment). Wiring schematics, pictures, best practices and tips to get your boat's electrical systems in so let's get our boat wiring diagram started with our batteries!
Boiler will periodically cycle on and off during operation.
Boiler will periodically cycle on and off during operation. Simple aquastat wiring twinsprings research institute. Flow sensor, timing relay, pump (see second attachment). Our wiring diagrams section details a selection of key wiring diagrams focused around typical sundial s and y contains all the essential wiring diagrams across our range of heating controls. Delay when tap is opened components required. Aquastat wired to pump (see first attachment). Circuit 2,start pump after 10 sec. You can find the wiring diagram for a relay position for a 1997 mercury sable in the owner's manual. All about solar panel wiring & installation diagrams. Learn about wiring diagram symbools. Honey well triple action aquastat wiring explained,, low limit , reverse action, with additional zone relays how to properly wire.to prevent loosing. Read how to draw a circuit diagram. Guide to aquastat controls on heating equipment:
To locate the correct wiring diagram for your vehicle you will need universal wiring diagrams may not have the make and model of the chassis referenced, only the. Related searches for triple acting aquastat wiring diagrams triple aquastat wiringhoneywell triple aquastat wiring diagramaquastat wiring diagram pump controlhoneywell aquastat controller wiring. Learn about wiring diagram symbools. I need the wiring diagram for the1361 zone valve being wired to type 8148 e1265 gas boiler relay i am wiring a honeywell dual aquastat type l4081b, i have a hot and common coming from taco. A wiring diagram is a straightforward graph of the physical links and also physical design of an electric system or circuit.
High Limit Aquastat Relay, Bulk Pack || L8148A1090/B from www.quad-industry.com An aquastat is a device which automatically responds to changes in temperature of a liquid. Simple aquastat wiring twinsprings research institute. If aquastat wirings are ok, and control module had been set up properly, the the here is the guide to set up the aquastat control: Honeywell l8124a wiring diagram honeywell aquastat wiring. Hi, i really need help wiring an aqustat. Honey well triple action aquastat wiring explained,, low limit , reverse action, with additional how to wire a honeywell v8043e 1012 zone valve perfectly by jerry. Step by step pv panel installation tutorials with batteries, ups (inverter) and load calculation. Nowadays we are excited to declare we have discovered an extremely interesting topic to be discussed, that is aquastat wiring diagram.
Learn about wiring diagram symbools.
Related searches for triple acting aquastat wiring diagrams triple aquastat wiringhoneywell triple aquastat wiring diagramaquastat wiring diagram pump controlhoneywell aquastat controller wiring. Hi, i really need help wiring an aqustat. Learn about wiring diagram symbools. Guide to setting & wiring heating system boiler aquastat controls. This article series explains how aquastats work i'll post two excerpt wiring diagrams below. The basics of boat wiring. Read how to draw a circuit diagram. Step by step pv panel installation tutorials with batteries, ups (inverter) and load calculation. Type of wiring diagram wiring diagram vs schematic diagram how to read a wiring diagram: Honey well triple action aquastat wiring explained,, low limit , reverse action, with additional how to wire a honeywell v8043e 1012 zone valve perfectly by jerry. Honeywell aquastat l8148a manual online: Check connections against wiring diagrams in this manual. A wiring diagram is a straightforward graph of the physical links and also physical design of an electric system or circuit.
Symbols you should know wiring diagram examples how to draw a wiring diagram with edraw? Learn about wiring diagram symbools. Honeywell l8124a wiring diagram honeywell aquastat wiring. Our wiring diagrams section details a selection of key wiring diagrams focused around typical sundial s and y contains all the essential wiring diagrams across our range of heating controls. A wiring diagram is a straightforward graph of the physical links and also physical design of an electric system or circuit.
Honeywell Aquastat Relay L8148e Wiring Diagram from schematron.org Delay when tap is opened components required. The terminals of these aquastat® relays are approved for use with copper wire only. Type of wiring diagram wiring diagram vs schematic diagram how to read a wiring diagram: Learn about wiring diagram symbools. A wiring diagram is a straightforward graph of the physical links and also physical design of an electric system or circuit. Follow the appropriate wiring diagrams when using zone valves or a low limit. Related searches for triple acting aquastat wiring diagrams triple aquastat wiringhoneywell triple aquastat wiring diagramaquastat wiring diagram pump controlhoneywell aquastat controller wiring. Check connections against wiring diagrams in this manual.
Aquastat wired to pump (see first attachment).
Overview databases geospatial information profiles data analysis activities resources. You can find the wiring diagram for a relay position for a 1997 mercury sable in the owner's manual. Flow sensor, timing relay, pump (see second attachment). Aquastat wired to pump (see first attachment). Circuit 2,start pump after 10 sec. Nowadays we are excited to declare we have discovered an extremely interesting topic to be discussed, that is aquastat wiring diagram. Symbols you should know wiring diagram examples how to draw a wiring diagram with edraw? An aquastat is a device which automatically responds to changes in temperature of a liquid. Honey well triple action aquastat wiring explained,, low limit , reverse action, with additional how to wire a honeywell v8043e 1012 zone valve perfectly by jerry. I need the wiring diagram for the1361 zone valve being wired to type 8148 e1265 gas boiler relay i am wiring a honeywell dual aquastat type l4081b, i have a hot and common coming from taco. Guide to setting & wiring heating system boiler aquastat controls. Delay when tap is opened components required. If you are not familiar with safe electrical wiring.